She has been running really well, sailed through MOT August (just needed an ABS sensor);
Leaked oil around head until a couple of years ago (MOT comments). "Blue Devil Oil Stop Leak" applied 2023 (when oil filter last replaced) seemed to have eliminated this;
With only ~3 litres of fuel left at work, I added 5 litres of E5 Super from my can (warning went OFF until halfway home). Filled up with E5 as planned 2 miles from home;
Left garage ok, 300m later held on roundabout by traffic lights. On exiting roundabout, engine cut out with ?usual Oil, Ignition warning lights, no strange noises or smells at all, was able to coast aside safely despite power steering loss;
Tried to restart a few times: she cranks and splutters but does not catch. Electrics otherwise seem ok (lights, dash, aircon, radio). No oil evident underneath or on road nearly, nothing looks wrong under bonnet, but I couldn't face raising seat cowls in the dark so walked home.
THOUGHTS PLEASE.
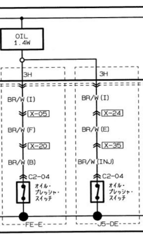
Oil starvation?
Misfuel? (Garage's fault, pump said £145.9 ppl E5!)
Fuse or relay blown? (which, as engine-type not cabin)
HT leads failed? (Had vermin trouble some years ago)
Spark plug failed? (replaced 10 years, 40k miles ago)
Fuel blockage? (unwise to run tank so low)
:
HELP APPRECIATED




