Hi guys hope you all keeping safe,
Please does anyone know how to test the sliding door contacts on a 1996 bongo please using a multi-meter, or any other methods.
Many thanks in advance
Tony
sliding door
Moderators: Doone, westonwarrior
- turfite9999
- Bongonaut
- Posts: 83
- Joined: Wed Jan 31, 2018 1:50 pm
- Location: Blackpool
Re: sliding door
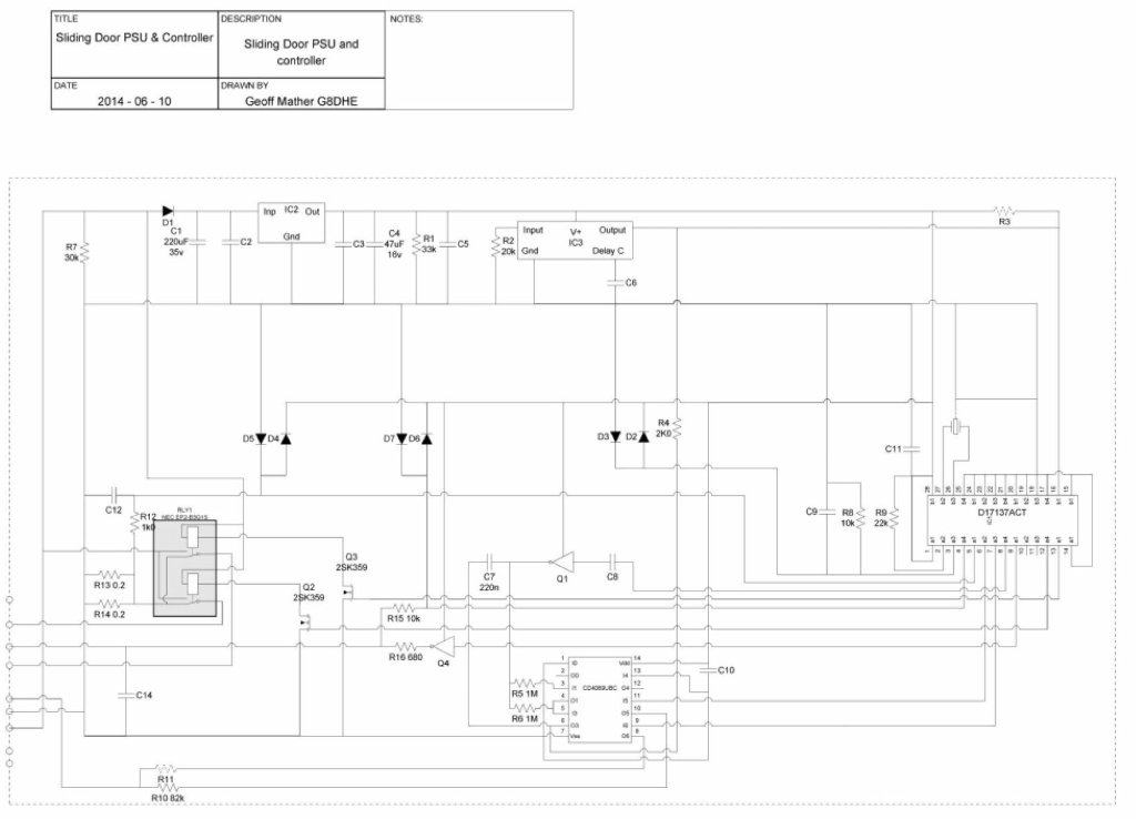
You do realise that its a small 8-bit microcomputer controlling it ?
What exactly is the problem your having ?
What exactly is the problem your having ?
Geoff
2001 Aero V6, AFT, full side conversion.
2001 Aero V6, AFT, full side conversion.
- turfite9999
- Bongonaut
- Posts: 83
- Joined: Wed Jan 31, 2018 1:50 pm
- Location: Blackpool
Re: sliding door
Hi Geoff thanks for the reply,
got all central locking working but the soft close not working, does 96 Bongo have soft close? I have changed motor at bottom of door.
Thanks
Tony
PS do you know where I can get retaining clips for locking rods on sliding door
got all central locking working but the soft close not working, does 96 Bongo have soft close? I have changed motor at bottom of door.
Thanks
Tony
PS do you know where I can get retaining clips for locking rods on sliding door
- turfite9999
- Bongonaut
- Posts: 83
- Joined: Wed Jan 31, 2018 1:50 pm
- Location: Blackpool
Re: sliding door
Sorry Geoff its a retaining clip for the sliding door exterior handle rod
Re: sliding door
Yes provided the door contacts have all 5 positions fitted then it should be soft-close, if it only has the 2/3 door locking contacts fitted then no!
For the small retaining clips speak with BongoSpares is normally best solution or find someone breaking a van locally.
For the small retaining clips speak with BongoSpares is normally best solution or find someone breaking a van locally.
Geoff
2001 Aero V6, AFT, full side conversion.
2001 Aero V6, AFT, full side conversion.
- turfite9999
- Bongonaut
- Posts: 83
- Joined: Wed Jan 31, 2018 1:50 pm
- Location: Blackpool
Re: sliding door
Thanks again Geoff
- turfite9999
- Bongonaut
- Posts: 83
- Joined: Wed Jan 31, 2018 1:50 pm
- Location: Blackpool
Re: sliding door
Thanks all for your help just trying to get plastic retaining clip for the exterior handle rod without buying the whole handle
tony
tony




