Bongo Wiring Manuals
Moderators: Doone, westonwarrior
Re: Bongo Wiring Manuals
Hi, are the manuals still available to download from anywhere? I couldn't see any links on page 1 of this thread.
I've got an electrical issue with my fan speeds. My mechanic tells me the connection isn't grounded, so I thought I'd try and find some info on it.
I've got a 97 2.5 TD
Thanks
I've got an electrical issue with my fan speeds. My mechanic tells me the connection isn't grounded, so I thought I'd try and find some info on it.
I've got a 97 2.5 TD
Thanks
Re: Bongo Wiring Manuals
I believe Ian is still selling the PDF documents. my web site is no longer directly available with the demise of Flash. I can however still paste copies up here of the relevant pages not sure which type of controller you have as there are two types the Climate Control electronic style or the older slider style;
Geoff
2001 Aero V6, AFT, full side conversion.
2001 Aero V6, AFT, full side conversion.
Re: Bongo Wiring Manuals
Oh sorry yes, mine is the electronic style.
Can I presume that's the first image?
Thank you so much, you're a life saver!
Can I presume that's the first image?
Thank you so much, you're a life saver!
Re: Bongo Wiring Manuals
Yes its the first diagram above for the electronic version.
Geoff
2001 Aero V6, AFT, full side conversion.
2001 Aero V6, AFT, full side conversion.
Re: Bongo Wiring Manuals
Hi.
I'm looking for the ECU harness pin out or if that's not available the pin out for the 2L distributor wiring (2003). Is this available anywhere please?
Working on a little project...
Thanks!
I'm looking for the ECU harness pin out or if that's not available the pin out for the 2L distributor wiring (2003). Is this available anywhere please?
Working on a little project...
Thanks!
Black Aero City Runner 2L petrol with full side conversion
Re: Bongo Wiring Manuals
The diagrams on the Web never went upto 2003 however I think Ian has PDF's for 2003 versions ? The older distributor wiring is shown below;
Geoff
2001 Aero V6, AFT, full side conversion.
2001 Aero V6, AFT, full side conversion.
Re: Bongo Wiring Manuals
That's great, thanks. I'm after the pins for the cam and crank position sensor outputs to start with. I'm pretty sure I've identified them using an oscilloscope, but would like to confirm. Looks like we have a match 
Are the 2003 diagrams available anywhere please?
Thanks for your help with this.
Are the 2003 diagrams available anywhere please?
Thanks for your help with this.
Black Aero City Runner 2L petrol with full side conversion
Re: Bongo Wiring Manuals
I'm away until Monday but if you email me when I'm back I'll see what I can dig out. [email protected]
668. The Neighbour of The Beast.
Re: Bongo Wiring Manuals
That's brilliant. Thanks Ian!
Black Aero City Runner 2L petrol with full side conversion
Re: Bongo Wiring Manuals
Hello Everybody,
I've got a 88 VW T3 with Mazda Bongo electric pop top Roof project. I don't have wiring loom so I have to make it.
Mabe someone could help me with some electric roof wiring digrams?
I've got a 88 VW T3 with Mazda Bongo electric pop top Roof project. I don't have wiring loom so I have to make it.
Mabe someone could help me with some electric roof wiring digrams?
Re: Bongo Wiring Manuals
Thank you g8dhe!!!
Re: Bongo Wiring Manuals
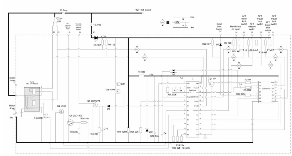
Would it be possible to get a better quality of picture AFT-1? The letters ar so blured...
Re: Bongo Wiring Manuals
These might be slightly higher resolution, but as you don't have Flash available then they can only be screen grabs;
Geoff
2001 Aero V6, AFT, full side conversion.
2001 Aero V6, AFT, full side conversion.
Re: Bongo Wiring Manuals
Hi, the wiring diagrams are still on line here http://www.g8dhe.net/bwm/ but you need a browser that can handle the old Adobe Flash system
The only browser that can still handle the files is the Chinese based one that was allowed by Adobe to continue using the Flash system which can be downloaded here https://pdds-cdn.ucweb.com/8-0/UCBrowse ... 10215).exe
They go to great lengths to try to get you to download various other versions, which don't still support Flash, I have given you a link to the exact spot I downloaded but watch out for spurious links to other types of UC Browser! It works fine but I can't say what else might be built in so use at your own risk
The only browser that can still handle the files is the Chinese based one that was allowed by Adobe to continue using the Flash system which can be downloaded here https://pdds-cdn.ucweb.com/8-0/UCBrowse ... 10215).exe
They go to great lengths to try to get you to download various other versions, which don't still support Flash, I have given you a link to the exact spot I downloaded but watch out for spurious links to other types of UC Browser! It works fine but I can't say what else might be built in so use at your own risk
Geoff
2001 Aero V6, AFT, full side conversion.
2001 Aero V6, AFT, full side conversion.




