Hi
Recently bought a bongo which unfortunately has a problem with draining the starter battery
There’s a constant draw of around 0.23 amps from the battery.
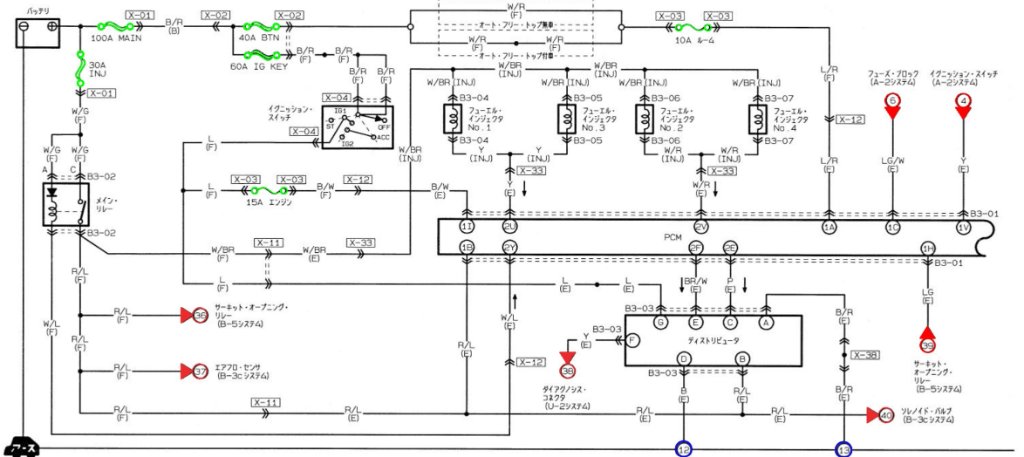
I’ve found that the only fuse that makes this drop is the 30A fuse labelled as INJ (near the positive on the stater battery in the front bonnet).
What does this fuse feed ??
Is this normal drawing power when cat is off and locked ?
Thank you
Starter battery drain - INJ 30A FUSE - HELP….
Moderators: Doone, westonwarrior
Re: Starter battery drain - INJ 30A FUSE - HELP….
Drawing a dark current is a common problem on bongos.... usually something on interior circuits, cigar lighters, lights, door loom problems etc. Sounds like you have disconnected negative terminal and checked all those with a multimeter?
For some info. on fuses and circuits, try this link....
http://www.g8dhe.net/bwm/
For some info. on fuses and circuits, try this link....
http://www.g8dhe.net/bwm/
4wd diesel, 1999 ex tintop with lowline raising roof
Keep a cool head, black ball game.
Keep a cool head, black ball game.
Re: Starter battery drain - INJ 30A FUSE - HELP….
The INJectors circuit feeds several circuits including the engine fuel Injectors. depends on which engine your referring too;
FE-E 2l engine J5-DE V6
FE-E 2l engine J5-DE V6
Geoff
2001 Aero V6, AFT, full side conversion.
2001 Aero V6, AFT, full side conversion.




