Temp sensor(s)
Moderators: Doone, westonwarrior
- Alacrity
- Tribal Elder
- Posts: 634
- Joined: Tue Jan 12, 2010 10:02 am
- Location: Eastbourne, East Sussex
- Contact:
Temp sensor(s)
Does anyone know if the 2.5 tdi engine (automatic) has one or two temp sensors? We have one here that has no 4th or lockup & it is not being commanded by the trans ECU so we know the tranny is not to blame. It is possible the ECU is not getting the warm-up signal so will inhibit 4th & lockup. We have found one temp sensor but that is the gauge, could there be another somewhere? This is a common problem on Mitsi's & they have 2 eng temp sensors & it is always one of these that is the cause of the problem.
Anyone got any wiring info they can help me with, the club one's are not working at the moment? I also need a trans ECU pin out with values if anyone has such a thing available.
Anyone got any wiring info they can help me with, the club one's are not working at the moment? I also need a trans ECU pin out with values if anyone has such a thing available.
35+ years working with autogearboxes - all day every day......for my sins
- dandywarhol
- Supreme Being
- Posts: 5446
- Joined: Mon Dec 19, 2005 10:18 pm
- Location: Edinburgh
Re: Temp sensor(s)
PM sent
Whale oil beef hooked
Renault Lunar Telstar
Yamaha TD1C 250, Merc SLK200, KTM Duke 690
Renault Lunar Telstar
Yamaha TD1C 250, Merc SLK200, KTM Duke 690
- dandywarhol
- Supreme Being
- Posts: 5446
- Joined: Mon Dec 19, 2005 10:18 pm
- Location: Edinburgh
Re: Temp sensor(s)
Must've just missed you before you logged out - there's a sensor mid way down the head on the o/s which sends temp signals to the ECU. Sometimes its just a bad connection there OR a wee bit further back on the loom there's a plug connection which can have a connection problem too. This fault is usually accompanied by a flashing HOLD light
Whale oil beef hooked
Renault Lunar Telstar
Yamaha TD1C 250, Merc SLK200, KTM Duke 690
Renault Lunar Telstar
Yamaha TD1C 250, Merc SLK200, KTM Duke 690
- Northern Bongolow
- Supreme Being
- Posts: 7722
- Joined: Mon Mar 15, 2010 11:33 pm
- Location: AKA Vanessa
Re: Temp sensor(s)
is that the fan switch dandy,that your refering to,does that also control,gbox lock up?
- helen&tony
- Supreme Being
- Posts: 9869
- Joined: Thu Nov 18, 2004 12:49 pm
- Location: Bulgaria
Re: Temp sensor(s)
Hi
Ady
I think someone said recently that the rear sensor checks engine temperature in the block, sends the signal to the ECU, and that sends "permission" to the autobox to change up during warmup...PM me if yo want some info on temperatures
I'm off to bed in a min. (2 hours ahead here, and up at 3.00 A.M. your time)
Cheers
Helen
Ady
I think someone said recently that the rear sensor checks engine temperature in the block, sends the signal to the ECU, and that sends "permission" to the autobox to change up during warmup...PM me if yo want some info on temperatures
I'm off to bed in a min. (2 hours ahead here, and up at 3.00 A.M. your time)
Cheers
Helen
In the beginning there was nothing , then God said "Let there be Light".....There was still nothing , but ,by crikey, you could see it better.
- dandywarhol
- Supreme Being
- Posts: 5446
- Joined: Mon Dec 19, 2005 10:18 pm
- Location: Edinburgh
Re: Temp sensor(s)
AyeNorthern Bongolow wrote:is that the fan switch dandy,that your refering to,does that also control,gbox lock up?
Whale oil beef hooked
Renault Lunar Telstar
Yamaha TD1C 250, Merc SLK200, KTM Duke 690
Renault Lunar Telstar
Yamaha TD1C 250, Merc SLK200, KTM Duke 690
- Northern Bongolow
- Supreme Being
- Posts: 7722
- Joined: Mon Mar 15, 2010 11:33 pm
- Location: AKA Vanessa
Re: Temp sensor(s)
thanks dandy.
- Alacrity
- Tribal Elder
- Posts: 634
- Joined: Tue Jan 12, 2010 10:02 am
- Location: Eastbourne, East Sussex
- Contact:
Re: Temp sensor(s)
Thanks everyone - was away for the last day or so. Have checked out the sensors but still no top, suspect wiring as it hanging out everywhere, & there are all sorts of non standard bits & bobs inside the car. Plus the vehicle has just been repaired after an accident . . .
I believe the wiring diagrams are back up again so we will keep digging.
I believe the wiring diagrams are back up again so we will keep digging.
35+ years working with autogearboxes - all day every day......for my sins
- Northern Bongolow
- Supreme Being
- Posts: 7722
- Joined: Mon Mar 15, 2010 11:33 pm
- Location: AKA Vanessa
Re: Temp sensor(s)
in the last 6 months i have changed 4 fan switches on auto boxes,and one on a manual box.
2 of the auto's had signs of front fans not working correctly,and my manual had fans that came on early,but every time and were predictable. on all these motors the temp switch was changed also.non of the auto's reported probs with the g/box though,
all the auto sensors when inspected were found to be broken or loose at the point where the plastic joins the metal stub/screw.
i understand that the temp is important for top gear lock up but would think that the operational temp would be gained from the gearbox itself.
i now change these two components as part of the stat/coolant service plan as i cannot see how the system can operate to its full potential if these two components are not known.i have also noted that after a motor has either dropped a hose/lost coolant/boiled or just got really hot,these two parts tend to go out of wack and read innacurately.
im not arguing with peeps,its just that im trying to understand the links between the parts that have more than one function.
2 of the auto's had signs of front fans not working correctly,and my manual had fans that came on early,but every time and were predictable. on all these motors the temp switch was changed also.non of the auto's reported probs with the g/box though,
all the auto sensors when inspected were found to be broken or loose at the point where the plastic joins the metal stub/screw.
i understand that the temp is important for top gear lock up but would think that the operational temp would be gained from the gearbox itself.
i now change these two components as part of the stat/coolant service plan as i cannot see how the system can operate to its full potential if these two components are not known.i have also noted that after a motor has either dropped a hose/lost coolant/boiled or just got really hot,these two parts tend to go out of wack and read innacurately.
im not arguing with peeps,its just that im trying to understand the links between the parts that have more than one function.
- missfixit70
- Supreme Being
- Posts: 12431
- Joined: Fri Jun 01, 2007 3:53 pm
- Location: weymouth
Re: Temp sensor(s)
As you know, I hate to disagree with anyonedandywarhol wrote:AyeNorthern Bongolow wrote:is that the fan switch dandy,that your refering to,does that also control,gbox lock up?
You can't polish a turd - but you can roll it in glitter.
- Alacrity
- Tribal Elder
- Posts: 634
- Joined: Tue Jan 12, 2010 10:02 am
- Location: Eastbourne, East Sussex
- Contact:
Re: Temp sensor(s)
Am I being thick here, I can't see a 2J terminal on the trans ECU - in fact I can't find the trans temp sensor on the wiring diagram? The reading (at the trans end) reads the same as mine & if you hold the temps sensor the reading alters as you would expect, now whether the signal is reaching the ECU is another matter. Unfortunately other than nicking the loom from mine (lot of work (as we don't have a Jatco temp sensor of the right type to swop it over to prove it)) it now only leaves wiring. As we are not auto electricians & the customer is not prepared to pay much I think it may be going back as it is. So far my old girl has donated her ECU, dashboard, trans range selector switch & temp sensors, cust changed speed sensor & TPS. No change. The wiring has to be seen to be believed though.
Still at least it gave me a chance to finally get the Mason alarm fitted, now all I have to do is set it & get used to the new gauge reading & stop thinking OMG every time I glance at the gauge!!
Still at least it gave me a chance to finally get the Mason alarm fitted, now all I have to do is set it & get used to the new gauge reading & stop thinking OMG every time I glance at the gauge!!
35+ years working with autogearboxes - all day every day......for my sins
- widdowson2008
- Supreme Being
- Posts: 1703
- Joined: Tue Nov 18, 2008 10:15 pm
- Location: N.E.Derbyshire
Re: Temp sensor(s)
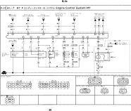
Is this what you are looking for? drawing B-2cAlacrity wrote:Am I being thick here, I can't see a 2J terminal on the trans ECU - in fact I can't find the trans temp sensor on the wiring diagram? !!

and that follows through to B-2b, so the sensor you are looking for may be on here - dunno - not a sparky - just following lines

Steve
- Alacrity
- Tribal Elder
- Posts: 634
- Joined: Tue Jan 12, 2010 10:02 am
- Location: Eastbourne, East Sussex
- Contact:
Re: Temp sensor(s)
That looks like it - although I cannot find that page for the life of me! My page no. B2-c is different in both the manuals I can get up?????????
Another thing, can anyone tell me how to print the diagrams? I have no print icon, which isn't unusual, but a right click doen't give me the option either. If I print from the browser I get a mainly blank page?
Another thing, can anyone tell me how to print the diagrams? I have no print icon, which isn't unusual, but a right click doen't give me the option either. If I print from the browser I get a mainly blank page?
35+ years working with autogearboxes - all day every day......for my sins
- widdowson2008
- Supreme Being
- Posts: 1703
- Joined: Tue Nov 18, 2008 10:15 pm
- Location: N.E.Derbyshire
Re: Temp sensor(s)
Hi Alacrity
Not sure if you can print - I tried before and failed.
However.......have sent you a pm.
Not sure if you can print - I tried before and failed.
However.......have sent you a pm.
Steve
Re: Temp sensor(s)
The page is here;

or here depending on year;

Nope there isn't any printing from the application itself, you can always screen print or screen grab and print, the reason being is that the images aren't a single file, but made up from many smaller sections, otherwise you would be waiting a lot longer for each page to appear. It is possible to set-up but the set-up is dependent on browser & versions, and doesn't appear to be that robust.

or here depending on year;

Nope there isn't any printing from the application itself, you can always screen print or screen grab and print, the reason being is that the images aren't a single file, but made up from many smaller sections, otherwise you would be waiting a lot longer for each page to appear. It is possible to set-up but the set-up is dependent on browser & versions, and doesn't appear to be that robust.
Geoff
2001 Aero V6, AFT, full side conversion.
2001 Aero V6, AFT, full side conversion.




