Hi , does anyone have a wiring diagram for the 2 block connectors that plug into the box , I have a micro switch sensor missing on the passenger front side and one of the wires is too short to join so I'm thinking of disabling the warning buzzer .
Thanks
Aft control relay
Moderators: Doone, westonwarrior
-
tjbrookes2004
- Junior Bongonaut
- Posts: 22
- Joined: Wed Mar 03, 2021 6:46 pm
Aft control relay
2.5 v6 petrol lpg
Re: Aft control relay
Disabling the limit switch will invalidate your insurance!
The switches at the front indicate to the computer that the roof is actually fully down and under the locking shrouds.
The switches at the front indicate to the computer that the roof is actually fully down and under the locking shrouds.
Geoff
2001 Aero V6, AFT, full side conversion.
2001 Aero V6, AFT, full side conversion.
Re: Aft control relay
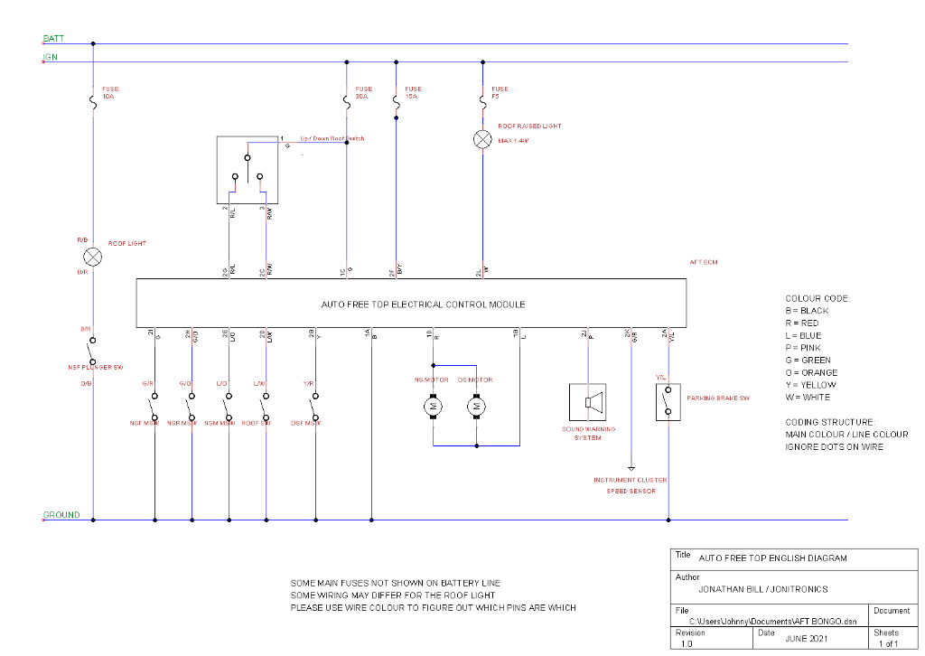
Here's an English version I have made of the AFT 1997 roof schematic, it was for a Bongo roof / Renault Trafic conversion project I'm working on, but it may help somebody on here too.




