Does anyone have a Wiring diagram for the AFT? Tried using google chrome but still cant get the old wiring diagram site to work.
The Bongo has been off the road for a few years & is now time to get rid (needs too much welding), tried to pop the roof up for the first time in months in preparation of selling & it wont even try to lift. I think ive checked it as far as i can without a diagram.
Fuses OK & has power at it.
Open/close switch testing OK.
Handbrake switch testing OK.
Had the Control unit out & checked connections & inside for water ingress.
When you operate the switch you dont get any voltage dropping or the note of the engine changing like you would expect if it was trying to operate the motors.
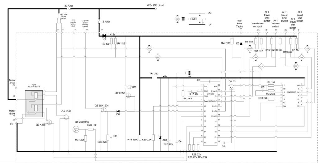
AFT Wiring diagram
Moderators: Doone, westonwarrior
AFT Wiring diagram
95 2.5d 4WD AFT
Re: AFT Wiring diagram
You need UCBrowser currently I'm on version 6.0.1308.1016 but I think a version 7 is available from http://pc.ucweb.com/
as they still handle Flash.
Screen grabs below for you;
as they still handle Flash.
Screen grabs below for you;
Geoff
2001 Aero V6, AFT, full side conversion.
2001 Aero V6, AFT, full side conversion.
Re: AFT Wiring diagram
Amazing, thank you for the diagram.
Managed to find the problem. There was no power going to the motors when the up/down switch was used. Using the diagram i was able to power the motors direct off another battery at the connector on the AFT control unit. I was able to make the roof move up & down by reversing the polarity so i knew the motors & wiring to the motors was ok. If it powered the roof up with the battery it would go back down off the switch if i pressed the lock cancel button but once i let the switch go it would not go down again until i pressed the lock cancel button again. When the roof was up i sprayed all the microswitches in the runners then worked them in & out. As soon as i moved the rearmost microswitch on the nearside the beeping started as if i had pressed the lock cancel button. After that the roof worked perfectly again. Must just have been a sticky microswitch.
Managed to find the problem. There was no power going to the motors when the up/down switch was used. Using the diagram i was able to power the motors direct off another battery at the connector on the AFT control unit. I was able to make the roof move up & down by reversing the polarity so i knew the motors & wiring to the motors was ok. If it powered the roof up with the battery it would go back down off the switch if i pressed the lock cancel button but once i let the switch go it would not go down again until i pressed the lock cancel button again. When the roof was up i sprayed all the microswitches in the runners then worked them in & out. As soon as i moved the rearmost microswitch on the nearside the beeping started as if i had pressed the lock cancel button. After that the roof worked perfectly again. Must just have been a sticky microswitch.
95 2.5d 4WD AFT
Re: AFT Wiring diagram
Hi, jumping on this going through similar diagnostics, don't think I am as competent at electronics as you!
Engine running
The control box has 14v going to on the four wire input
It beeps when button pressed
When I press the open switch it's showing about 10v on the output other two wires.
Am I measuring the voltage in the right places?
Should it be much higher to power the the motors?
Can I take the 14v input directly to the out put to bypass the contoller or does the controller do something clever in managing the current?
Thanks for any help you can provide.
Will
Engine running
The control box has 14v going to on the four wire input
It beeps when button pressed
When I press the open switch it's showing about 10v on the output other two wires.
Am I measuring the voltage in the right places?
Should it be much higher to power the the motors?
Can I take the 14v input directly to the out put to bypass the contoller or does the controller do something clever in managing the current?
Thanks for any help you can provide.
Will
Re: AFT Wiring diagram
Yes it sounds like the motors are stalling due to being unable to raise the roof. Often its down to the rubber seal sticking to the roof, the two front corners are likely areas, there should be plastic pads attached to the roof to stop this happening but sometimes they are missing and the rubber then sticks to the paintwork;
Geoff
2001 Aero V6, AFT, full side conversion.
2001 Aero V6, AFT, full side conversion.




