Sensor boost solenoid

Technical questions and answers about the Mazda Bongo

Moderators: Doone, westonwarrior

Post Reply
Rhondda boy
Junior Bongonaut
Posts: 21
Joined: Tue Feb 11, 2020 2:03 pm

Sensor boost solenoid

Post by Rhondda boy » Tue Aug 18, 2020 9:47 am

Hi All,

Still trying to solve my turbo problem,

I have a friend who is a electrician who seems to think that the problem is caused by the black sensor boost solenoid under the passenger seat, he has asked me to try to confirm what this solenoids function is,

Is it a potentiometer

Is it a triack device, or a electronic gate.

What readings should there be across the two outer pins,

What is the function of the centre pin.

Thank you all

Clayton
User avatar
g8dhe
Supreme Being
Posts: 10918
Joined: Sun Apr 13, 2008 10:06 pm
Location: Worthing, West Sussex.

Re: Sensor boost solenoid

Post by g8dhe » Tue Aug 18, 2020 10:31 am

Might help if you could show us a picture of what your looking at ?
Geoff
2001 Aero V6, AFT, full side conversion.
Rhondda boy
Junior Bongonaut
Posts: 21
Joined: Tue Feb 11, 2020 2:03 pm

Re: Sensor boost solenoid

Post by Rhondda boy » Wed Aug 19, 2020 3:03 pm

download/file.php?
mode=view&id=232https://igmaynard.download/file.php?mode=view&id=230co.uk ... iew&id=231

Hi g8dhe,

Thank you for your reply, any information on this sensor would be much appreciated.

Thanks

Clayton
Attachments
D5CD8662-EAEC-4FDC-B056-A0A4320F0919.jpeg
DA83F9A0-D4B8-418D-9463-F92291FFE13B.jpeg
404C32CD-041D-4CD1-8FB6-A0AC09D8D7E5.jpeg
User avatar
g8dhe
Supreme Being
Posts: 10918
Joined: Sun Apr 13, 2008 10:06 pm
Location: Worthing, West Sussex.

Re: Sensor boost solenoid

Post by g8dhe » Wed Aug 19, 2020 4:57 pm

Not that familiar with the diesel but I suspect its the EGR position sensor your holding;

Red/Black is the wiper.
Geoff
2001 Aero V6, AFT, full side conversion.
Rhondda boy
Junior Bongonaut
Posts: 21
Joined: Tue Feb 11, 2020 2:03 pm

Re: Sensor boost solenoid

Post by Rhondda boy » Wed Aug 19, 2020 5:45 pm

Hi g8dhe,
I'm a bit puzzled, I assumed that this controlled the boost to the turbo which is isn't happening at the moment.

When my electrician connected a feed directly to the plug with the solenoid disconnected the actuating arm on the turbo moves.

Does the EGR's effect the operation of the turbo?

Why is the wiper connected to this solenoid?

Thank you

Clayton
User avatar
g8dhe
Supreme Being
Posts: 10918
Joined: Sun Apr 13, 2008 10:06 pm
Location: Worthing, West Sussex.

Re: Sensor boost solenoid

Post by g8dhe » Wed Aug 19, 2020 6:47 pm

It doesn't look like a solenoid with three connections, the colours match the circuit diagram on the connector, as well as the connector style.
I don't have a diesel engine manual, perhaps someone with one can confirm the part.
Geoff
2001 Aero V6, AFT, full side conversion.
Bongolia
Supreme Being
Posts: 1524
Joined: Fri Apr 01, 2016 2:17 am
Location: Folkestone

Re: Sensor boost solenoid

Post by Bongolia » Sun Aug 23, 2020 4:19 am

Any part numbers on the body of the part?
Can you put up another image or two of the oart and one with it in situ.
Are there any performance issues since the lights popped up?
Rhondda boy
Junior Bongonaut
Posts: 21
Joined: Tue Feb 11, 2020 2:03 pm

Re: Sensor boost solenoid

Post by Rhondda boy » Tue Aug 25, 2020 10:50 am

Hi Bongolia,

I have all the part numbers off the body of the solenoid, I’ve contacted Ian who informs me that this part is no longer available,
But there is a replacement part available from Mazda RF4F18211 I have not followed this up as of today.

To be honest I was a bit puzzled with one of the posts on this link, mentioning that it looked like a EGR position sensor.

Originally had P codes 0400 and 1228, but took both EGR valves off and cleaned them. The codes disappeared, but the glow plug started flashing 1227 and this is where I’m at the moment.

The turbo actuating arm moves forward on starting from cold but then within about 2 seconds it closes.

Apart from this problem the van runs fine I use occasionally with no other issues.

Sorry but can’t get out to take a photo it’s storm conditions here today.

There are two solenoids under the passenger seat a brown one and the black one both are bolted to the chassis rail.

Any information regarding this is appreciated, it’s driving me nuts.


Thank you

Clayton
User avatar
g8dhe
Supreme Being
Posts: 10918
Joined: Sun Apr 13, 2008 10:06 pm
Location: Worthing, West Sussex.

Re: Sensor boost solenoid

Post by g8dhe » Tue Aug 25, 2020 11:21 am

Right its the Boost Pressure Sensor mounted on the intercooler piping - 18-211D original part#:KJ0118211A
http://www.lushprojects.com/bongopartsm ... mgno=.html
its on versions after 1999 it seems.
It measures the air pressure in the intercooler.
Geoff
2001 Aero V6, AFT, full side conversion.
User avatar
g8dhe
Supreme Being
Posts: 10918
Joined: Sun Apr 13, 2008 10:06 pm
Location: Worthing, West Sussex.

Re: Sensor boost solenoid

Post by g8dhe » Tue Aug 25, 2020 12:24 pm

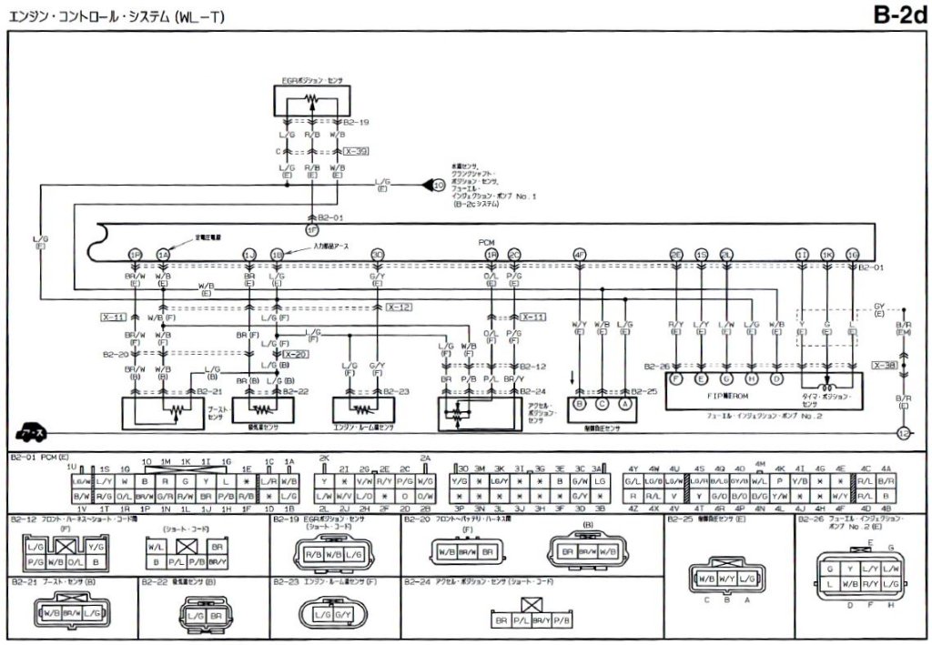
This is from the 1999-9 version of the wiring diagrams B2-25 connector
Capture.JPG
Geoff
2001 Aero V6, AFT, full side conversion.
Rhondda boy
Junior Bongonaut
Posts: 21
Joined: Tue Feb 11, 2020 2:03 pm

Re: Sensor boost solenoid

Post by Rhondda boy » Tue Aug 25, 2020 12:33 pm

download/file.php?mode=view&id=248
Hi Bob,

It’s certainly the right part number, but mine is bolted the passenger side chassis along with a brown solenoid and in some way
influences the opening and closing of the turbo.

The on the passenger side must measure the vacuum then?

I’ve uploaded a photo from another post which explains it and shows the lay out.

Thanks Bob

Clayton
Attachments
364E279E-5154-4088-B157-9F202FF625CA.png
Bob
Supreme Being
Posts: 15468
Joined: Wed Oct 17, 2007 12:54 pm
Location: North Somerset

Re: Sensor boost solenoid

Post by Bob » Tue Aug 25, 2020 1:04 pm

Thanks to Geoff. :wink:
Take a torch, toilet roll, and tea bags.

https://m.youtube.com/watch?v=hcF9JSxkUSE
Gandalf The White
Junior Bongonaut
Posts: 22
Joined: Wed Mar 11, 2020 5:42 pm

Re: Sensor boost solenoid

Post by Gandalf The White » Wed Aug 02, 2023 9:35 am

Hi there.

I had a longstanding problems with our 2002 Diesel Bongo with the dreaded going into limp mode and glow plug light flashing once engine was warm and sat in traffic. I cleared all the old fault codes and found the two fault codes being displayed were P0400 and P1228. Spent hours researching this trawling for answers through the forums, FB groups and it's also well detailed on the Wastegate Actuator factsheet in the members section. It's obvious people have spent hours on this, but nothing seems to give a permanent guaranteed long term fix. After much head scratching I discovered Mark at The Bongo Master in Leicestershire, really good, decent, honest bloke, who knows Bongos inside and out, he has great reviews from all his customers. Mark immediately knew what the problem was. It's a known issue with later Bongos, due to combination of a change of turbo design and poorer quality grade diesel in the UK. Mark charges £600 to retrofit an older turbo from an earlier model and changes the relevant ducting and piping to go with it. The van then ran as sweet as a nut, with no loss in performance at all. Just thought I'd share, as it could save somebody alot of time, money and hassle in the future.

https://www.thebongomaster.co.uk/
Post Reply

Return to “Techie Stuff”