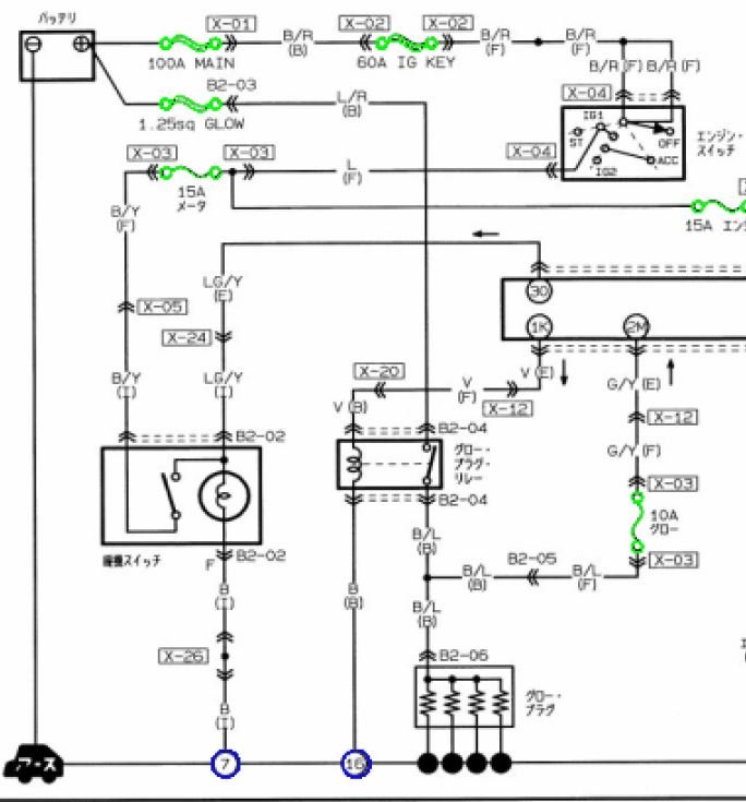
On my 2.5td 1995 bongo I have had this problem for some time, the glow plug light flickers on and off randomly, can hear the relay clicking like a mad thing when it does it. Sometimes does it on starting other times while driving
For ages thought it was a low battery issue as it was draining when not used for a while, and the problem seemed to stop after charging, but this isn't an issue any more due to solar panels and the problem still Persists. I get a lose of power when this happens as well and she doesn't change up.
Have recently had starting issues from cold and smokes when starts.
Read that flashing plug light indicates engine fault, which would accompany the nt for power lose, but this isn't flashing at regular rate, and seems random when it happens. Recently the light has stopped coming on all together when starting but still flickers a little after starting.
My diagnosis was probably a knackered relay or glow plugs but wanted to get anyone's advice or thoughts before spending out.
So thanks in advance for any thoughts and advice




