Diagnosing auto 4th gear issue

Technical questions and answers about the Mazda Bongo

Moderators: Doone, westonwarrior

Sharbee22
Junior Bongonaut
Posts: 19
Joined: Sat Jul 13, 2024 12:05 pm

Re: Diagnosing auto 4th gear issue

Post by Sharbee22 » Sat Feb 08, 2025 2:40 pm

g8dhe wrote: Sat Feb 08, 2025 2:08 pm The translations and naming's seem to vary a lot depends I suspect on the sources of information if you look up in the gearbox manual you will see that a lot of the selections is on the basis of the two main gear choices and then the various epicyclic combinations give the other gear ratios.

The display temperature gauge has no other input to any of the vehicle systems its only for the display alone if you look at the diagrams. There is another temperature sensor (2-pin types) that measures the temperature feeding the ECU. The gearbox has its own sensors internally feeding into the gearbox electronic controls.

I presume you have checked the state of the ATF and its not dirty or burnt ?
The gearbox oil has been replaced by my mechanic.
I know how to use a voltmeter, a screwdriver and a socket set.
If I knew where to probe I could maybe diagnose to some degree.
Other than that I am destined to drive in third gear max...
User avatar
g8dhe
Supreme Being
Posts: 10884
Joined: Sun Apr 13, 2008 10:06 pm
Location: Worthing, West Sussex.

Re: Diagnosing auto 4th gear issue

Post by g8dhe » Sat Feb 08, 2025 4:09 pm

A meter isn't going to be of any use its a pulsed system and its the % of the duty cycle that determines the position, its pulsed at 50Hz and the On period compared to the Off period that determines the selection;
Screenshot 2025-02-08 150819.jpg
Geoff
2001 Aero V6, AFT, full side conversion.
Sharbee22
Junior Bongonaut
Posts: 19
Joined: Sat Jul 13, 2024 12:05 pm

Re: Diagnosing auto 4th gear issue

Post by Sharbee22 » Sat Feb 08, 2025 4:38 pm

g8dhe wrote: Sat Feb 08, 2025 4:09 pm A meter isn't going to be of any use its a pulsed system and its the % of the duty cycle that determines the position, its pulsed at 50Hz and the On period compared to the Off period that determines the selection;
Screenshot 2025-02-08 150819.jpg
I have a scope too. I just have no idea where to probe.
When it wants to activate a solenoid it goes from ~0% to ~100% to make a smooth change or something?
Thanks.
User avatar
g8dhe
Supreme Being
Posts: 10884
Joined: Sun Apr 13, 2008 10:06 pm
Location: Worthing, West Sussex.

Re: Diagnosing auto 4th gear issue

Post by g8dhe » Sat Feb 08, 2025 5:23 pm

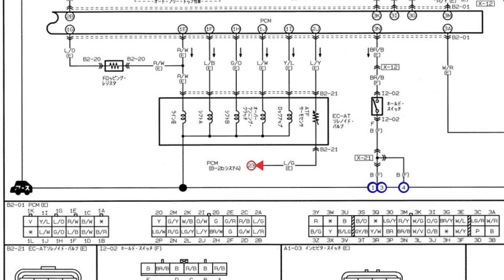
The connections for the diesel are on the diagram below, the ringed numbers relate to the ECU pin numbers and the colour codes are against each wire;
Screenshot 2025-02-08 162129.jpg
the colour codes for the wires are;
The attachment Screenshot 2025-02-08 162129.jpg is no longer available
Attachments
ColourCodes.jpg
Last edited by g8dhe on Sat Feb 08, 2025 5:47 pm, edited 1 time in total.
Geoff
2001 Aero V6, AFT, full side conversion.
Sharbee22
Junior Bongonaut
Posts: 19
Joined: Sat Jul 13, 2024 12:05 pm

Re: Diagnosing auto 4th gear issue

Post by Sharbee22 » Sat Feb 08, 2025 5:35 pm

g8dhe wrote: Sat Feb 08, 2025 5:23 pm The connections for the diesel are on the diagram below, the ringed numbers relate to the ECU pin numbers and the colour codes are against each wire;
Screenshot 2025-02-08 162129.jpg

the colour codes for the wires are;
Screenshot 2025-02-08 162129.jpg
I have no idea which node(s) will tell me if 4th gear is being commanded.
If someone knows, please help :)
Post Reply

Return to “Techie Stuff”